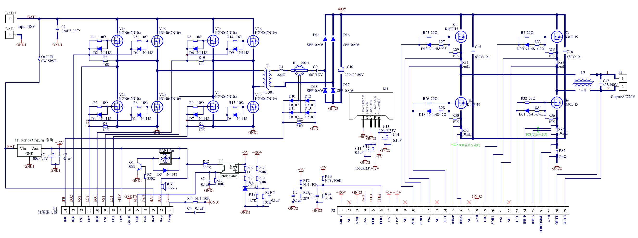
EGD1000W_V2 这款逆变器是基于 EG8025 SPWM 专用芯片而设计的 Demo 方案。其额定的输出功率为 1000瓦, 最大输出功率为 1200 瓦,输出电压为 220V±2%,输出频率为 50Hz±0.1Hz,额定输出电流为 4.6 安培。